「澳门回归20周年」带你看澳门的标志、标线及交通设备

2019-12-23 14:51

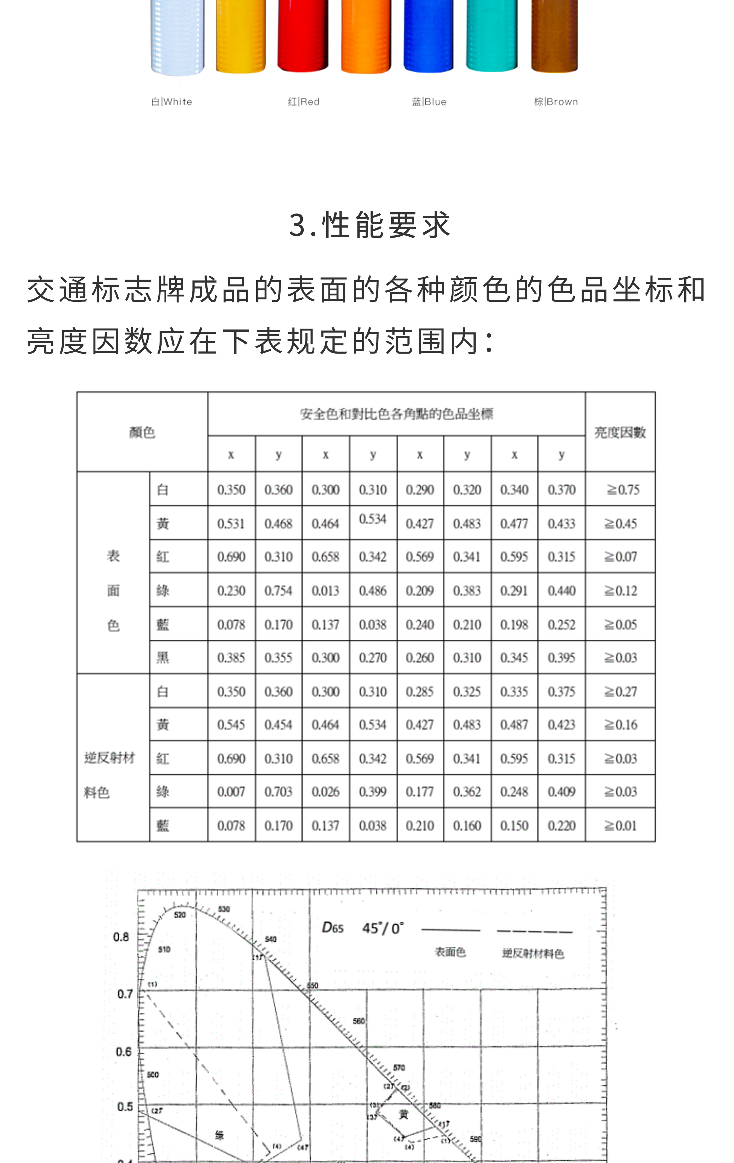
1120macao_01.jpg1120macao_02.jpg1120macao_03.jpg1120macao_04.jpg1120macao_05.jpg1120macao_06.jpg1120macao1_01.jpg1120macao1_02.jpg1120macao1_03.jpg